
| 輸出 | PJT-15V40WBA口 | PJT-15V65WBA口 | PJT-15V100WBA口 | PJT-15V100WBB口 | |
| 輸出電壓 | 15V | 15V | 15V | 15V | |
| 輸出電流 | 2.67A | 4.2A | 6.67A | 5.33A(自然對流) 6.67A(強制風冷) |
|
| 輸出功率 | 40W | 63W | 100W | 80W(自然對流) 100W(強制風冷) |
|
| 紋波電壓(20MHz) | 150mVpp | ||||
| 保持時間 | 115VAc | 18mstyp. | 16mstyp. | 20mstyp. | 10mstyp. |
| 230VAc | 90mstyp. | 80mstyp. | |||
| 輸入 | |||||
| 輸入相數 | 單相 | ||||
| 輸入電壓范圍 | 47-63Hz | ||||
| 輸入頻率 | 0.85Atyp. | 1.50Atyp. | 1.50Atyp. | 2.50Atyp. | |
| 輸入電流 | 115VAc | 86.0%typ. | 87.0%typ. | 87.5%typ. | 87.0%typ. |
| 滿載效率(100%負載) | 115VAc | 87.0%typ. | 88.5%typ. | 89.0%typ. | |
| 230VAc | 30Atyp. | ||||
| 浪涌電流(冷啟動) | 115VAc | 30Atyp. | |||
| 230VAc | 60Atyp. | ||||
| 功率因素 | 符合EN61000-3-3 | ||||
| 漏電流 | 240VAC | <0.2mA | |||
| 機構 | |||||
| 外殼/底架 | — | ||||
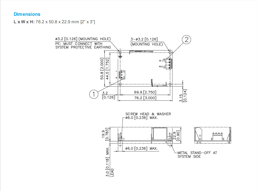
| 尺寸(L×W×H) | mm | 76.2×50.8×22.9 | 101.6×50.8×30 | 127×76.2×31 | 101.6×50.8×31.8 |
| inch | 3.00×2.00×0.90 | 4.00×2.00×1.18 | 5.00×3.00×1.22 | 4.00×2.00×x1.25 | |
| 重量 | kg | 0.08 | 0.13 | 0.21 | 0.15 |
| lb | 0.18 | 0.29 | 0.46 | 0.33 | |
| 冷卻方式 | 自然對流 | 自然對流/強制風冷 | |||
| 平均故障間隔時間 | >700,000hrs | ||||
| 環境 | |||||
| 運行溫度 | —10℃至+71℃ | ||||
| 儲存溫度 | —40℃至+86℃ | ||||
| 運行濕度 | 11 至 95% RH (無冷凝) | ||||
| 運行海拔高度 | 0至5,000m(0至16,401ft) | ||||
