-
首頁
-
產品中心
-
臺達
-
工業電源
-
平板型電源
-
Panel Mount PMF 系列
PMF-24V240WCGB
- 交流輸入電壓范圍
- 內置活性 PFC及風扇控速
- 鋁制外殼和底盤全防腐蝕
- 符合諧波電流 IEC/EN/BS EN 61000-3-2,Class A 及 Class D
- 遙控開/關選項
- -20°C 冷啟動 @ 100負載 (240W)
- 低漏電流 < 0.6mA @ 240Vac
- MTBF > 700,000 hrs Telcordia SR-332
- 短路 / 過壓 / 過流 / 過溫防御

| 輸出 |
PMF-4V320WCE |
PMF-5V320WC |
PMF-24V240WCD0 |
PMF-24V320WC口D |
| 輸出電壓 |
4.2V |
5V |
24V |
24V |
| 輸出電壓范圍 |
3.78-4.62V |
4.50-5.50V |
21.6-26.4V |
21.6-26.4V |
| 輸出電流 |
55.0A |
55.0A |
10.0A |
13.3A |
| 輸出功率 |
231W |
275W |
240W |
320W |
| 紋波電壓(20MHz) |
150mVpp |
| 保持時間 |
115 VAC |
16mstyp. |
20mstyp. |
| 230 VAC |
| 輸入 |
|
| 輸入相數 |
單相 |
| 輸入電壓范圍 |
85-264VAc |
| 輸入頻率 |
47-63Hz |
| 輸入電流 |
115 VAC |
5.0Atyp. |
5.OAtyp. |
3.6Atyp. |
5.0Atyp. |
| 230 VAC |
2.5Atyp. |
2.5Atyp. |
1.8Atyp. |
2.5Atyp. |
| 灣載效率(負載) |
230 VAC |
76.5%typ. |
78.5%typ. |
87.0%typ. |
| 浪涌電流(冷啟動) |
115 VAC |
20Atyp. |
30Atyp. |
35Atyp. |
20Atyp. |
| 230 VAC |
40Atyp. |
50Atyp. |
60Atyp. |
40Atyp. |
| 功率因素 |
115 VAC |
0.97typ. |
0.98typ. |
0.99typ. |
0.98typ. |
| 230 VAC |
0.94typ. |
0.95typ. |
0.95typ. |
0.95typ. |
| 漏電流 |
240 VAC |
|
1mA |
<0.6mA |
<1mA |
| 機構 |
|
| 外殼/底架 |
鋁質 |
|
| 尺寸(LxWxH) |
mm |
215×115x50 |
215×115×50 |
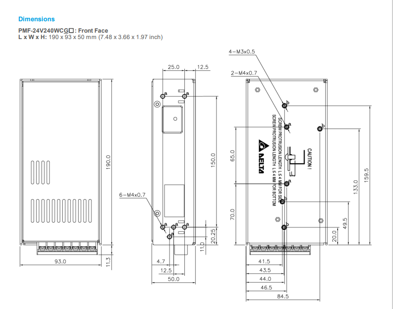
190×93×50 |
215x115×50 |
| inch |
8.46×4.53×197 |
8.46x4.53x1.97 |
7.48x3.66×1.97 |
8.46x4.53×1.97 |
| 重量 |
kg |
0.86 |
0.86 |
0.66 |
0.84 |
| lb |
1.9 |
1.9 |
1.46 |
1.85 |
| 冷卻方式 |
強制風冷(內置風扇) |
| 平均故障間隔時間 |
>700,000hrs |
| 環境 |
|
| 運行溫度 |
—10℃至+70℃ |
| 儲存溫度 |
—20℃至+85℃ |
| 運行濕度 |
5至95%RH(無冷凝) |
| 運行海拔高度 |
0至5,000m(0至16,400ft) |